| 1. 対象物件の概要 |

■敷地概要
・敷地面積:230u
・買収される面積:35u
・残る面積:195u
・買収される割合:15%
・建築基準法の用途地域制限
第一種低層住居専用地域
・建築基準法の建築制限
建ぺい率: 60%
容 積 率:200% 高さ制限: 10m
|

■建物概要
・木造2階建専用住宅(非支障建物) 建築面積: 81.56u
延床面積:127.10u
・軽量鉄骨造平家建車庫(支障建物)
建築面積:14.75u
延床面積:14.75u
・2棟の合計面積
建築面積: 96.31u
延床面積:141.85u |

■建物所有者A氏の家族構成
・家族人員:6人
A氏夫婦・子供3人・母(要介護者)
・A氏の職業:会社員
|
|

|
| |
| 2. 検討のポイント |
@支障となるのは車庫のみであり、住宅は支障となっていないこと。 A自動車が要介護者の通院やA氏の通勤に常時使用されていること。 B支障となっている車庫はその用途上において、住宅と分離することが可能か否か。 C残地に車庫を建築するスペースを確保する方法。 D従前の住環境を維持すること並びに法令上の制限に適合すること。
|
| 3. 考えられる案 |
| <第一案> |
残地には住宅が建築されていて車庫を再建築することが不可能であるため、支障となる車庫を現在の敷地以外へ移転する案です。
■利 点
- 住宅は移転対象としないため、住宅の利用形態は変わりません。
- 移転対象が少ないため、建物等の移転費用が低額となります
■問題点
- 車庫を分離してしまうと用途上の目的を果たせなくなってしまいます。
- 要介護者の通院やA氏の通勤に常時使用されている自動車の保管場所が同一の敷地内に無いと、日常生活に支障を与えます。
第一案では支障となる車庫を住宅と分離することが可能か否かを検討しましたが、車庫の利用形態が大きく変わり、機能の回復が図れません。したがって、第二案では車庫を残地へ移転する方法を検討します。
残地に建築されている住宅を移転しなければ車庫を再建築するスペースは確保できませんが、移転する方法として考えられるのは、一部を改造する方法と全体を再建築する方法です。
|
| <第二案> |
住宅の1階洋室(1)・物入・洋ダンスを食堂の南側へ建て替え、1階洋室(1)他2部屋があった部分に車庫を再建築する案です。
■利 点
- 車庫の利用形態が維持できるため、従前の機能が回復します。
- 住宅の改造範囲が僅かであり、利用形態は変わりません。
- 住宅の改造範囲が僅かであるため、建物等の移転費用が低額となります。
■問題点
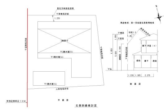
なお、第二案では「建ぺい率」等の検討以外に「北側斜線規制の検討」や「居室の採光規定の検討」を行っています。
(下記「法令上の検討」参照)
次に、残る案として車庫と住宅全体を移転対象とし残地に再建築する方法が考えられますが、この案は建物全体の再建築となるため工事期間及び移転費用の大幅な増大が予想され、第二案と比較すると合理的ではありません。したがって、全体を再建築する案の検討は省略させて頂きます。
|
| 4. まとめ |
本件は第二案が採用案となりました。 今回は車庫付き戸建住宅の事例でした。この様なケースでは居住者の生活を再建することを重視しますが、必要以上に移転対象範囲を広げるのではなく、従前の生活を維持するために必要な移転方法を考えていきます。
|